Dino footprints found on boulder displayed at Queensland school

Palaeontologist brushes large rock
Dr Anthony Romilio brushes Specimen 1 at Biloela State High School. Credit: University of Queensland/Supplied.

Dozens of 3-toed dinosaur footprints from nearly 200 million years ago could illuminate a mysterious period in the Australia’s ancient past.

The footprints were identified on a rock which was on display at Queensland’s Biloela State High School for more than a decade.

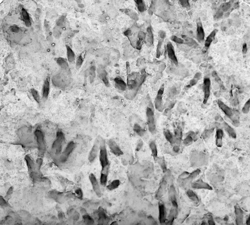
Close up scan of dinosaur footprints
Detailed highlights of the rock sample at Biloela in Queensland. Credit: University of Queensland/Supplied.

The boulder has the highest concentration of dinosaur tracks ever found on the continent. Palaeontologists determined that 47 individual dinosaurs left the 66 footprints on an area of about 1 square metre.

Fossil footprints are a type of ichnofossil – which preserve traces of ancient lifeforms, rather than actual remains of the organism itself.

It’s not clear which species of dinosaur left the tracks although they have been assigned to the ichnospecies Anomoepus scambus. The ichnogenus Anomoepus is ascribed to Early Jurassic footprints where the hind feet have 3 toes.

Clues in the footprints do allow the palaeontologists to determine that these were small herbivores.

“These dinosaurs were small, with legs ranging from 15 to 50cm in length and when they left these marks, they were travelling less than 6 km/hr,” says University of Queensland researcher Anthony Romilio, first author of a paper about the footprints which is published in the journal Historical Biology.

“Evidence from skeletal fossils overseas tells us dinosaurs with feet like these were plant eaters with long legs, a chunky body, short arms, and a small head with a beak.”

3 small herbivorous dinosaurs illustration
Psinosaurus, a dinosaur like the ones that left footprints on the rock displayed at Biloela State High School. Credit: University of Queensland/Supplied.

The rock was dug up 20 years ago at Callide Mine in the state’s east.

Rocks from the Callide Basin date to nearly 200 million years ago, during the early part of the Jurassic period (201 to 145 million years ago).

Early Jurassic Australia is not well understood due to scant fossil evidence. Most of Australia’s dinosaur finds date to the Cretaceous (145 to 66 million years ago). But in other parts of the world, Jurassic fossil beds are brimming with dinosaur activity.

Australia was part of the ancient supercontinent Gondwana which, in the Early Jurassic, was just starting its 160-million-year break up. What is today Australia was much further south during this time, with most of the continent between 45° and 60° latitudes.

Despite being so far south, the weather was relatively warm and humid compared to overall global temperatures today. There would have been lush fern and cycad forests and large rivers.

Fossils found from this period in Australia belong to ancient fish and large, crocodile-like amphibians called labyrinthodonts. Finding dinosaur footprints from this period gives a tantalising glimpse into a mysterious era in the continent’s history.

Advanced 3D imaging revealed new details about the footprints, Romilio says. He found another sample from the Callide Basin which was used as a carpark entry delineator at the mine.

Large rock at a carpark
Specimen 2 at the mine carpark. Credit: University of Queensland/Supplied.

“This rock is much larger at around 2-tonnes with 2 distinct footprints left by a slightly larger bipedal dinosaur walking on legs which were around 80cm in length,” Romilio says. “Along with a sample from a third rock that is encased in resin and was being used as a bookend, we have gained new insight into the ancient past in this region.”

Sign up to our weekly newsletter

Please login to favourite this article.